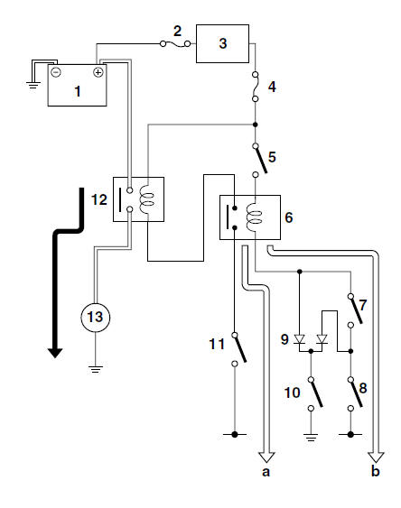
If the engine stop switch is set to "
" and the main switch is set to
"ON" (both switches are closed), the
starter motor can only operate if at least one of the following conditions is
met:
The starting circuit cut-off relay prevents the starter motor from operating
when neither of these conditions
has been met. In this instance, the starting circuit cut-off relay is open so
current cannot reach the
starter motor. When at least one of the above conditions has been met, the
starting circuit cut-off relay
is closed and the engine can be started by pressing the start switch "
".

a. WHEN THE TRANSMISSION IS IN NEUTRAL
b. WHEN CLUTCH LEVER IS PULLED TO THE HANDLEBAR AND THE SIDESTAND IS UP
1. Battery
2. Main fuse
3. Main switch
4. Ignition fuse
5. Engine stop switch
6. Starting circuit cut-off relay
7. Clutch switch
8. Sidestand switch
9. Diode
10.Neutral switch
11.Start switch
12.Starter relay
13.Starter motor
Circuit diagram
TroubleshootingAssembling the main axle and drive axle
1. Install:
Toothed washer "1"
Circlip "2"
NOTE:
Be sure to install the circlip so that its sharp
edge "a" is facing away from the toothed washer
and gear.
Be sure the circlip ends "b" are positioned at
the axle spline groove "c".
2. Install:
2nd pinion gear "1"
NO ...
Checking the ignition spark gap
1. Check:
Ignition spark gap
Out of specification Perform the
ignition
system troubleshooting, starting with step 5.
Refer to "TROUBLESHOOTING" on page
8-3.
NOTE:
If the ignition spark gap is within specification,
the ignition system circuit is operating normally.
a. Disconnect the spa ...
Installing the front brake master cylinder
1. Install:
Brake master cylinder "1"
Brake master cylinder holder "2"
NOTE:
Install the brake master cylinder holder with the
arrow mark "a" pointing forward.
Align the end of the brake master cylinder holder
with the punch mark "b" on the handlebar.
First, tighten the front bo ...