
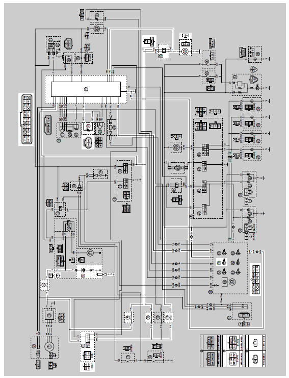
4. Main fuse
5. Main switch
6. Radiator fan motor fuse
9. Battery
22.Coolant temperature sensor
32.Radiator fan motor relay
33.Radiator fan motor
59.Coolant temperature warning light
64.Ignition fuse
66.Signaling system fuse
Cooling system
TroubleshootingReplacing the air filter element and cleaning the check hose
The air filter element should be replaced
at the intervals specified in the
periodic maintenance and lubrication
chart. Have a Yamaha dealer replace
the air filter element more frequently if
you are riding in unusually wet or dusty
areas. In addition, the air filter check
hose must be ...
Checking and replacing the rear wheel sprocket
1. Check:
Rear wheel sprocket
More than 1/4 tooth "a" wear
Replace the
rear wheel sprocket.
Bent teeth Replace the rear
wheel sprocket.
b. Correct
1. Drive chain roller
2. Rear wheel sprocket
2. Replace:
Rear wheel sprocket
a. Remove the self-locking nuts and the ...
Installing the thermostat
1. Install:
Thermostat
NOTE:
Install the thermostat with its breather hole "a"
facing up.
2. Install:
Copper washer
Coolant temperature sensor
CAUTION:Use extreme care when handling the
coolant
temperature sensor. Replace any part that
was dropped or subjected to ...