
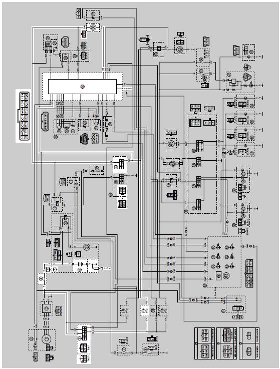
4. Main fuse
5. Main switch
9. Battery
17.Engine stop switch
25.ECU (engine control unit)
30.Fuel pump
64.Ignition fuse
Fuel pump system
TroubleshootingChecking the clutch boss
1. Check:
Clutch boss splines
Damage/pitting/wear Replace the
clutch
boss.
NOTE:
Pitting on the clutch boss splines will cause erratic
clutch operation.
Checking the pressure plate
1. Check:
Pressure plate
Cracks/damage Replace.
Checking the clutch push lever and short clutch push ...
Checking and lubricating the cables
The operation of all control cables and
the condition of the cables should be
checked before each ride, and the cables
and cable ends should be lubricated
if necessary. If a cable is damaged
or does not move smoothly, have a
Yamaha dealer check or replace it.
WARNING! Damage to the out ...
Replacing the air filter element and cleaning the check hose
The air filter element should be replaced
at the intervals specified in the
periodic maintenance and lubrication
chart. Have a Yamaha dealer replace
the air filter element more frequently if
you are riding in unusually wet or dusty
areas. In addition, the air filter check
hose must be ...